Index / Mass storage and printer interface wersja polska wersja polska

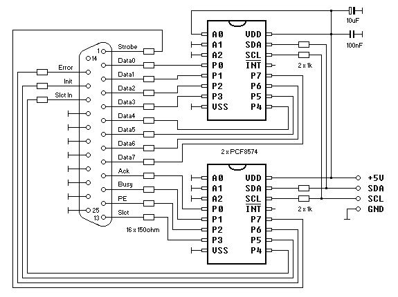
The parallel port board

Circuit diagram of the parallel port board

Photograph of the parallel port board