| Index | wersja polska
|
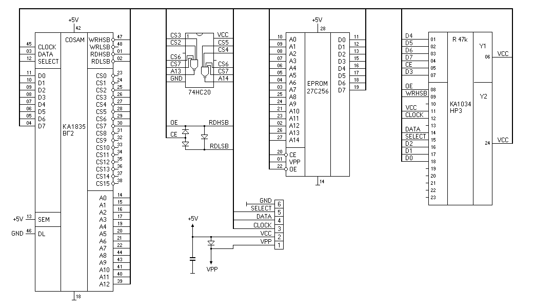
The photos and schematic were kindly contributed by Mahmoud Yassine.
The cartridge stores firmware for an MK-90 controlled gamma-ray spectrometer. It's equivalent to conventional MPO-10 ones, except that the RAM chips are replaced with an EPROM and some glue logic.



