Index wersja polskawersja polska

Elektronika MK-90 cartridge reader/programmer

The MK-90 cartridge can be read and written with a simple circuit connected to the parallel port. The required +5V supply can be drawn from the keyboard, PS2 mouse, or USB port.

For a similar device controlled through the USB port please refer to the SMPReaderUSB designed by Ilya Danilov.

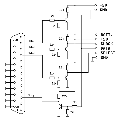
Circuit diagram

circuit diagram of the MK-90 cartridge programmer

Any general purpose small signal npn transistors can be used, for example 2N3904, BC547.

Photograph of the MK-90 cartridge programmer

Software

The control software is as simple as the circuit.

downloadmk90prog.zip - file size: 18kB, source and executable

Requirements

The program won't run under Windows 2000, NT, XP, because these systems don't allow direct hardware access from user programs.

Usage

Insert the cartridge, apply +5V then run one of these programs:

Linux version

http://www.sensi.org/~tnt23/mk90/mk90_lpt.tgz